一、概述
毛刷是日常生活中離不開的工具,也是工業生產中的常用的配件,毛刷產業具有非常廣闊的市常前景,因此制刷企業都在提高生產能力,提升生產效率方面下足功夫,也對植毛機加工工藝和加工效率提出很高的要求。而鉆孔機及植毛機作為制刷業最基本的生產機器,其技術的改進和提升受到很大的關注。最早為手搖式植毛機,后來發展為電動植毛機,隨著自動化的發展,現在已經開發出來各種電腦數控高速植毛機。本文介紹易驅MINI系列變頻器在數控植毛機系統上的應用。
二、植毛機工作原理和結構
數控植毛機根據加工產品的植毛形狀可以分為兩軸數控植毛機、三軸數控植毛機、四軸數控植毛機、五軸數控植毛機。植毛機的配套設備有:鉆孔機、剪毛機、磨毛機、打花機。 機械部分主要分為:機頭、機身、夾具三部分。機頭是植毛機的主要機械部分,植毛的主要動作:取毛、切線、鐵線成型、鐵線扎住刷絲、將刷絲植入孔內。機頭主要通過連桿、凸輪結構實現以上主要動作。機身是植毛機的主要架構,用于安裝機頭、電機、絲桿、工作臺、夾具。夾具是用于安裝加工產品的裝置,根據不同的產品,不同的工藝,設計不同的夾具。 控制系統目前市場上數控植毛機基本上都采用伺服馬達或步進電機驅動,配備伺服驅動器或者變頻器進行控制。
三、易驅變頻器使用在植毛機上
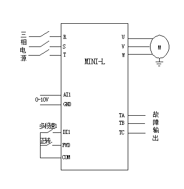
易驅MINI-L系列變頻器帶動植毛機導輪電機做植毛動作,控制器給定0~10V的模擬電壓信號控制頻率和電機轉速,實時監控植毛動態,避開中間控制環節,以求更高效更精準的植毛工藝。
使用易驅變頻器優勢:
1、操作簡單,無極調速改變了原來的電磁調速的方式,節約電能。
2、使用變頻調速提高了值毛工藝,消除設備硬啟硬停,減輕傳動、運動部件磨損,速度線性調節,讓潤滑系統與傳動、運動部件同步熱身投入。從而延長設備使用壽命,減少電氣設備維護次數,提高設備使用率。
3、有過流、過載、過壓、欠壓、過熱等多重保護功能,保護電機。
四、現場電路

五、變頻器參數設置

六、結束語:
通過客戶的長期使用,易驅變頻器性能穩定,調速范圍寬,穩態精度高,操作靈活方便,功能保護齊全,得到廣大用戶好評。易驅變頻器憑借其極具競爭力的性價比將更受客戶青睞。